Как сделать проект наружного освещения улицы, магистрали и пр?

 Эта страница нашего сайта  предназначена для проектировщиков либо лиц их заменяющих, инженеров и просто перед теми кто столкнулся с проблемой организации наружного освещения  на  какой-то вверенной ему территории.

   Правильное освещение это -   зрительный комфорт водителей и пешеходов, что в свою очередь очень сильно влияет на безопасность и здоровье людей.

Внимательный подход к проектированию поможет сделать ваш город лучше.

Если у  вас появились вопросы или вы нашли  на нашем сайте неточности обязательно напишите нам об этом на почту info@svs-tm.ru

 

Соедержание страницы

  1. С чего начать проектирование системы наружного освещения?

а. Выбор световых приборов

б. Выбор шага опор

в. Определение мест  наибольшей вероятной опасности.

 

Полезное (снипы, стандарты, требования и прочее)
Часто задаваемые вопросы F.A.Q.

План действия при проектировке наружного освещения

Примеры проектов

Тонель

 

Улица

 

Эстакада

 

Трасса

 

Ландшафтная зона

 

Детская площадка

Полезное (снипы, стандарты, требования и прочее)

Нормы пожаробезопасности НПБ  88 - 2001 скачать

СНиП по проектированию естественного и искусственного освещения, НАЙТИ!!

Часто задаваемые вопросы F.A.Q.

Могли бы вы предоставить пример технико экономического анализа выбора источников света?

Выбор системы освещения, источников света, типа световых приборов, схемы и координат их расположения производится на основании технико-экономического анализа.

 

НА каком этапе  проще и целесообразнее  проектировать  подсветку здания и сооружения?

Лучше это делать на начальном этапе проектирования. Так как в строительной части проектов зданий и сооружений следует предусматривать закладные детали, ниши и другие устройства, необходимые для установки световых приборов, электроконструкций и прокладки осветительной сети.

При проведении светотехнических расчетов по яркости дорожных покрытий асфальтобетонные покрытия по характеристикам светоотражения следует разделять на гладкие, шероховатые и осветленные шероховатые.

фото таких  покрытий пожалуйста

Какая стандартная высота установки ламп  наружного освещения?

 

Почему необходимо согласовывать установки  наружной световой рекламы?

Потому что  световая реклама должны проектироваться в сочетании с освещением улиц, дорог и площадей как единый комплекс светового оформления населенного пункта в вечернее время.

 

 

Какие типы светильников чаще всего применяются для  наружного  освещения  и почему?

Какой стандартный шаг между опорами наружного освещения?

 

Что такое люмен?

Лю́мен (русское обозначение: лм; международное: lm) — единица измерения светового потока в Международной системе единиц (СИ), является световой величиной.

Когда должно проводиться включение наружного  освещения?

Включение наружного освещения улиц, дорог и площадей, территорий
микрорайонов и других освещаемых территорий должно производиться при снижении
уровня естественной освещенности до 20 лк, а отключение - при ее повышении до 10 лк

БРП- это блочный распределительный пункт. дальше расшифровать...

План или порядок действий

1. Обследование дороги улицы.

2. Выбор мест расположения и типов опор (если опоры есть, то этот пункт пропускаем)

3. Выбор световых приборов (Энергосбережение, экологичность, ремонтопригодность, срок службы)

4. Монтаж (кого нанять? возможно ли это сделать самим?)

5. Выбор системы управления (принципиальный)

6. Пусконаладка

7. Часто встречающиеся ошибки.

8. Эксплуатация и техобслуживание

 

С чего начинать проектировку наружного освещения?

Для начала необходимо определиться какие светильники использовать для освещения. Выбирать любой понравившейся не имеет смысла можно наткнуться на подводные камни. О них мы и хотим рассказать по подробнее.

  1.  Выбор типа светильников.  На момент написания этой статьи (сентябрь 2019 года) наиболее предпочтительным является выбор либо натриевых ламп либо  светодиодных светильников.

Какой он светильник нашей мечты?

  1. Не дорогой
  2. Ремонтопригодный
  3. надежный
  4. Световая температура 4000-4500
  5. Мерцание светодиодов минимальное
  6. Проверенный временем так как существует показатель деградации светового потока у светодиодов.

Вводные данные для проектирования шкафа управления наружным освещением

  1. Исходными данными на разработку проекта являются технические условия заказчика
  2. Принципиальная электрическая схема ВРШ НО(либо если шкаф совмещенный однолинейная схема с проектируемой мощностью).
  3. Тип оборудования для освещения (Если есть светодиоды использовать ограничители пускового тока)
  4. Колличество  отходящий линий
  5. Дополнительные требования к оборудованию

Обследование дороги (улицы)

               Необходимо определить тип дорожного покрытия, нанести на план улицы все пешеходные переходы, пересечения с другими улицами и дорогами. При наличии трамвайного движения так же нанести на план места посадок в трамвай. Необходимо определить все места на проезжей части улиц, в которых могут оказаться пешеходы. В этих местах, как будет показано ниже, необходимо обеспечить повышенный уровень освещенности относительно остальной части дороги. В случае если предусматривается отключение части светильников в ночное время, то в местах возможного нахождения пешеходов на дорогах и проезжей части улиц повышенный уровень освещенности должен обеспечиваться и в этот промежуток времени;

 

Как делать не нужно (Крокодил)

ЩНО1.1 Ленинградское ш. пересеч с МКАД- отбит QF3 3

Если шкаф управления будет находиться в местах с агрессивной внешней средой, рассмотрите выбрать  исполнение шкафа из нержавейки.

Во-первых его не нужно будет постоянно красить.

Во-вторых он никогда не проржавеет и менять нужно будет только неисправное силовое оборудование

ЩНО1.1 Ленинградское ш. пересеч с МКАД- отбит QF3 4

Если не устранять причину утечки  тока и обходить перемычками устройства защитного отключения в конечном случае выйдет из строя оборудование  или может выгореть вся линия.

Определение категории улицы или дороги

ИНСТРУКЦИЯ

ПО ПРОЕКТИРОВАНИЮ НАРУЖНОГО ОСВЕЩЕНИЯ ГОРОДОВ, ПОСЕЛКОВ

И СЕЛЬСКИХ НАСЕЛЕННЫХ ПУНКТОВ С ПОЯСНЕНИЯМИ 

СН 541-82

 Инструкция по проектированию наружного освещения городов, поселков и сельских населенных пунктов. СН 541-82/Госгражданстрой. - М.: ФГУП ЦПП, 2004.

Даны основные положения создания осветительных установок улиц, дорог, площадей, городских транспортных пересечений и тоннелей, а также территорий микрорайонов, детских яслей-садов, школ и школ-интернатов, больниц, госпиталей, санаториев, пансионатов, домов отдыха, парков, садов, стадионов и выставок, наружного архитектурного освещения и рекламы.

Приведены нормы наружного освещения перечисленных объектов, рассмотрены вопросы выбора, расположения и способов установки световых приборов.

Даны указания по выполнению систем питания защиты, заземления осветительной сети и управления наружным освещением.

Для инженерно-технических работников, занятых в области проектирования, строительства и эксплуатации наружного освещения.

 

 

  • Настоящая Инструкция распространяется на проектирование вновь строящихся и реконструируемых установок наружного электрического освещения улиц, дорог, площадей, пешеходных переходов, городских транспортных пересечений и тоннелей, пешеходных тоннелей, территорий: микрорайонов, детских яслей-садов, общеобразовательных школ, школ-интернатов, гостиниц, больниц, госпиталей, санаториев, пансионатов, домов отдыха, парков, садов, стадионов и выставок, а также освещения архитектурных объектов и световой рекламы в городах, поселках и сельских населенных пунктах.

Инструкция не распространяется на проектирование освещения территорий парков и садов специального назначения (зоопарков, ботанических садов), железнодорожных станций и платформ, автомобильных дорог общей сети вне населенных пунктов, территорий промышленных предприятий, а также витрин торговых предприятий к общественных зданий.

 

  • При проектировании и устройстве наружного освещения должны обеспечиваться: нормированные величины количественных и качественных показателей осветительных установок; экономичность установок и рациональное использование электроэнергии; надежность работы осветительных установок; безопасность обслуживающего персонала и населения; удобство обслуживания и управления осветительными установками.
  • Используемые в осветительных установках оборудование и материалы должны соответствовать требованиям стандартов и техническим условиям, утвержденным в установленном порядке, номинальному напряжению сети и условиям окружающей среды.

Применение в осветительных установках открытых ламп без арматуры не допускается.

  • Для создания выразительного архитектурно-художественного облика города в вечернее время следует, как правило, предусматривать освещение архитектурных объектов: ансамблей зданий, сооружений, зеленых насаждений и фонтанов, устройство рекламы на главных площадях и улицах, набережных, в парках и местах массового отдыха населения; объектов и памятников, характеризующих национальные, архитектурно-художественные и историко-культурные особенности города или связанных с его героическим прошлым.

В поселках и сельских населенных пунктах допускается предусматривать освещение ансамблей общественных центров и расположенных на их территории мемориальных памятников.

  • Наружное освещение объектов указанных в п. 5, и световая реклама должны проектироваться в сочетании с освещением улиц, дорог и площадей как единый комплекс светового оформления населенного пункта в вечернее время.
  • При проектировании установок наружного освещения выбор опор и световых приборов должен производиться с учетом архитектурно-планировочных особенностей освещаемой зоны и не восприятия в дневное и вечернее время (см. также п. 18).
  • Решения по архитектурному освещению зданий, сооружений и сотовой рекламы, располагаемой на них, должны, как правило, предусматриваться в проектах этих зданий и сооружений.

В строительной части проектов зданий и сооружений следует предусматривать закладные детали, ниши и другие устройства, необходимые для установки световых приборов, электроконструкций и прокладки осветительной сети.

 

  • Установки архитектурного освещения и световой рекламы должны быть увязаны с архитектурой и масштабами зданий и сооружений с учетом восприятия зданий и их окружения в дневное и вечернее время.
  • Установки наружного освещения следует выполнять стационарными, рассчитанными на систематическое включение. Включение освещения архитектурных объектов и световой рекламы допускается осуществлять по различным программам.
  • Проектирование освещения улиц, дорог и площадей должно, как правило, выполняться в составе проектов благоустройства с учетом характеристик светоотражения дорожных покрытий и решений по озеленению.

П р име ч а ни е. При проведении светотехнических расчетов по яркости дорожных покрытий асфальтобетонные покрытия по характеристикам светоотражения следует разделять на гладкие, шероховатые и осветленные шероховатые.

 

2.  СВЕТОТЕХНИЧЕСКАЯ ЧАСТЬ Нормы проектирования наружного освещения

  • Нормы, регламентирующие количественные и качественные показатели наружного освещения, должны приниматься одинаковыми при любых источниках света, используемых в осветительных установках, и соответствовать главе СНиП по проектированию естественного и искусственного освещения.

Расчет освещения площадей различного назначения должен производиться с учетом обеспечении нормируемых величии на соответствующих функциональных зонах площади.

  • Средняя горизонтальная освещенность физкультурных и детских площадок на территории микрорайонов должна быть 10 лк.

 

 

А и Б В
2600 1000
1800 600
1200 400
  • Категории улиц, дорог и площадей здесь и далее принимаются согласно главе СНиП по проектированию естественного и искусственного освещения.
    • Все части газосветных установок, расположенные вне витрин, должны находиться на высоте не менее 3 м над уровнем дороги и не менее 0,5 м над поверхностями крыш и других строительных конструкций.

 

 

Источник света

 

Лампы накаливания

Лампы мощностью менее 100 Вт, закрытые густой рассеивающей оболочкой (коэффициент пропускания 0,3 - 0,55) или без рассеивающей оболочки, включенные на напряжение, не превышающее 60 % номинального

Лампы мощностью менее 100 Вт, закрытые матовой рассеивающей оболочкой (коэффициент пропускания 0,7 - 0,85) или лампы 100 Вт и более, закрытые густой рассеивающей оболочкой (коэффициент пропускания 0,3 - 0,55)

Лампы мощностью менее 100 Вт без рассеивающей оболочки или лампы 100 Вт и более, закрытые матовой рассеивающей оболочкой (коэффициент  пропускания 0,7 - 0,85)

 

 

 

Не ограничивается

 

4

 

6

 

Лампы мощностью 100 Вт и более без рассеивающей оболочки

Газосветные трубки

Тлеющие неоновые трубки

Газосветные трубки яркостью менее 2000 кд/м2 всех цветов, за исключением близких к насыщенным: синего, красного и зеленого

Газосветные трубки яркостью более 2000 кд/м2 всех цветов, за исключением близких к насыщенным: синего, красного и зеленого

Газосветные трубки цветов, близких к насыщенным, синего, красного и зеленого

10

 

Выбор, расположение и способ установки световых приборов

  • Выбор системы освещения, источников света, типа световых приборов, схемы и координат их расположения производится на основании технико-экономического анализа.

Решения по освещению архитектурных объектов следует, как правило, апробировать на макетах или с помощью опытных осветительных устройств непосредственно на освещаемых объектах.

  • Освещение транспортных и пешеходных тоннелей должно выполняться газоразрядными источниками света.

Освещение служебных помещений при тоннелях следует выполнять в соответствии с требованиями главы СНиП по проектированию естественного и искусственного освещения.

 

  • Освещение улиц и дорог категорий А и Б с интенсивностью движения более 2000 единиц/ч, а также улиц и дорог в зонах высокой запыленности (более 0,4 мг/м3) должно, как правило, выполняться светильниками в исполнении 1Р53*.
  • Обозначение степени защиты светильников здесь и далее - согласно ГОСТ 14254-80 и ГОСТ 13828-74.

В тоннелях должны применяться только закрытые светильники, причем в транспортных, как правило, в исполнении 1Р65.

  • Освещение улиц и дорог с нормированной средней яркостью 0,4 кд/м2 и выше или средней освещенностью 4 лк и выше должно выполняться светильниками с оптическими системами, обеспечивающими широкое или полуширокое светораспределение.
  • Освещение внутренних, служебно-хозяйственных и пожарных проездов, автостоянок, хозяйственных площадок и площадок при мусоросборниках в микрорайонах следует, как правило, выполнять светильниками прямого или преимущественно прямого света.
  • Освещение аллей, пешеходных и прогулочных дорожек, а также центральных входов в парки, сады, стадионы, выставки, больницы, госпитали, санатории, пансионаты и дома отдыха следует, как правило, выполнять светильниками рассеянного света или преимущественно прямого света.

Освещение площадок массовых игр и площадок перед эстрадами, аттракционами следует осуществлять светильниками широкого светораспределения.

  • Освещение улиц, дорог и площадей территорий микрорайонов следует, как правило, выполнять светильниками, располагаемыми на опорах или тросах.

Освещение тротуаров-подъездов на территории микрорайонов допускается выполнять светильниками, располагаемыми на стенах или над козырьками подъездов зданий, если приведенные годовые затраты при этом не выше, чем при установке аналогичных светильников на опорах, а также обеспечиваются: возможность обслуживания светильников с помощью автоподъемников централизованное управление включением и отключением светильников; исключение засветки окон жилых помещений и повреждения светильников при падении с крыш снега и льда.

 

Рис. 1. Схемы размещения светильников в осветительных установках улиц и дорог

а - односторонняя; б - двухрядная в шахматном порядке; в - двухрядная прямоугольная; г - осевая; д -

двухрядная прямоугольная по осям движения; е - двухрядная прямоугольная по оси улицы

  • Светильники, устанавливаемые под козырьками подъездов зданий, не следует учитывать при расчете освещения тротуаров-подъездов и проездов микрорайона.
  • Расположение светильников на улицах и дорогах должно соответствовать схемам, приведенным на рис. 1.

На закруглениях улиц и дорог с радиусом в плане по оси проезжей части от 60 до 250 м светильники при их одностороннем расположении должны, как правило, размещаться по внешней стороне дороги в соответствии с рис. 2, а. При невозможности размещения светильников по внешней стороне закругления допускается расположение опор по внутренней стороне с дополнительным уменьшением шага светильников согласно рис. 2, б.

 

Рис. 2. Схемы размещения светильников на закруглениях улиц и дорог

 

Рис. 3. Схемы размещения светильников

а, б - на железнодорожных переездах; в - на пешеходном переходе; ш - автоматический шлагбаум

Освещение железнодорожных переездов и пешеходных переходов в одном уровне, как правило, должно обеспечиваться светильниками уличного освещения, размещаемыми по схемам рис. 3.

Освещение пересечений улиц и дорог в одном уровне следует выполнять в соответствии со схемами, приведенными на рис. 4. При одностороннем расположении светильников на обеих пересекающихся улицах размещение светильников в зоне перекрестка должно соответствовать схеме рис. 4, а.

  • Типы опор наружного освещения должны приниматься в соответствии с

 

Техническими правилами по экономному расходованию основных строительных материалов.

В осветительных установках транспортных развязок и городских площадей допускается использовать высокие опоры (20 м и выше) при соответствующем технико-экономическом обосновании и обеспечении удобства обслуживания светильников.

Размещать светильники в парапетах и ограждениях мостов и эстакад на высоте 0,9 - 1,3 м над проезжей частью допускается только в том случае, если другие, более экономичные решения исключаются.

  • На улицах с трамвайным и троллейбусным движением светильники следует, как правило, размещать на опорах контактной сети.
  • На улицах с воздушной электрической сетью общего пользования светильники наружного освещения следует размещать на опорах этой сети на кронштейнах, устанавливаемых, как правило, выше проходов электрической сети или по другую сторону опоры на уровне проводов.

Расстояние в плане от края светильника до ближайшего провода сети общего пользования должно быть не менее 0,6 м.

  • Консольные светильники для освещения проезжей части улиц, дорог и площадей следует, как правило, устанавливать под углом 15° к горизонту. При размещении светильников согласно схемам 2 и 3 рис. 1 на улицах и дорогах с шириной проезжей части более 21 м допускается увеличивать угол их наклона, но не более 30°.

 

Рис. 4. Схемы размещения светильников на пересечениях в одном уровне

а, б, д - на четырехсторонних пересечениях; в, г - на примыканиях

  • Опоры установок освещения улиц, дорог и площадей должны располагаться на

 

расстоянии не менее 0,6 м от лицевой грани бортового камня до внешней поверхности цоколя опоры. Это расстояние на жилых улицах допускается уменьшать до 0,3 м при условии отсутствия автобусного или троллейбусного движения, а также движения грузовых машин.

Опоры освещения улиц и дорог допускается устанавливать на центральной разделительной полосе при ее ширине 5 м и более, а также на разделительной полосе шириной 4 м при наличии стационарного ограждения и размещения опор в створе этого ограждения.

На улицах и дорогах, оборудованных кюветами, допускается устанавливать опоры за кюветом (рис. 5, а), если расстояние от опоры до ближней границы проезжей части не превышает 4 м.

Опора не должна находиться между пожарным гидрантом и проезжей частью улицы или дороги.

  • При смещении линии установки опор наружного освещения от ближней границы проезжей части на расстояние, превышающее длину кронштейна светильника (например, по требованиям механизированной снегоуборки в районах с высоким объемом снегопереноса), расстояние от проекции светильника на дорогу до ближней границы освещаемой полосы (Äb) не должно быть больше половины высоты установки светильников (рис. 5, б).

Рис. 5. Схемы допустимого расположения опор

а - за кюветом; б - со смещением от проезжей части; Н - допустимая высота установки светильника на границе проезжей части по условиям ограничения слепящего действия; Äb - смещение светильника от границы проезжей части; H¢ - допустимая высота смещенного светильника; Äb¢ - расстояние от опоры до границы проезжей части

В этом случае минимальную высоту установки светильников (H) допускается уменьшать

(но не ниже, чем до 6,5 м) в соответствии с формулой

где Н - допустимая высота установки светильников согласно требованиям главы СНиП по проектированию естественного и искусственного освещения об ограничении слепящего действия осветительных установок.

  • Опоры на пересечениях и примыканиях улиц и дорог, как правило, должны устанавливаться не ближе 1,5 м до начала закругления тротуаров, не нарушая единого строя линии установки опор.
  • Расстояние между опорами и подземными коммуникациями и способы защиты опор от наезда должны приниматься согласно требованиям глав СНиП по проектированию планировки и застройки населенных мест, наружных сетей и сооружений газоснабжения, производству и приемке работ по электротехническим устройствам и ПУЭ.
  • Опоры наружного освещения на инженерных сооружениях (мостах, путепроводах, эстакадах и т.п.) следует устанавливать в створе ограждений в стальных станинах или на фланцах, прикрепляемых к несущим элементам инженерного сооружения.
  • Опоры на аллеях и пешеходных дорогах должны располагаться вне пешеходной

 

части.

Опоры с венчающими светильниками или световыми комплексами из них рекомендуется размещать по односторонней схеме при ширине пешеходной части до 10 м, а при большей ширине - по двухрядной прямоугольной или шахматной схеме. Допускается неравномерное размещение опор, а также изменение высоты крепления светильников на опорах в зависимости от принятого архитектурного решения, если обеспечивается нормируемый уровень освещенности в среднем для установки и отношение максимальной освещенности к средней увеличивается не более чем в 2 раза.

  • Светильники на улицах и дорогах с рядовой посадкой деревьев следует устанавливать вне крон деревьев на удлиненных кронштейнах, обращенных в сторону проезжей части улицы, или применять тросовый подвес светильников.
  • Тросы для подвеса светильников и электрической сети разрешается крепить к ограждающим конструкциям зданий с обязательным применением амортизаторов и проведением проверочных расчетов на прочность этих конструкций.
  • Отношение шага светильников к высоте их подвеса на улицах и дорогах всех категорий должно быть не более 5:1 при одностороннем, осевом или прямоугольном размещении светильников и не более 7:1 при шахматной схеме размещения.
  • В проектах освещения улиц и дорог категорий А и Б с интенсивностью движения более 1000 транспортных единиц/ч в городах и поселках со средним количеством жидких атмосферных осадков более 600 мм в год (см. главу СНиП по строительной климатологии и геофизике) необходимо учитывать особенности отражения света влажными дорожными покрытиями, предусматривая:

применение светильников полуширокого светораспределения или широкого с направлением максимальной силы света не выше 60°, если отношение ширины проезжей части к высоте установки светильников b/H >0,5 при одностороннем их расположении и b/H

> 1,5 при двухрядном расположении;

размещение светильников на закруглениях только с внешней стороны дороги (см. рис. 2,

 

а);

окрашивание цокольной части опор белой краской.

Если количество жидких осадков превышает 700 мм в год, а интенсивность движения на

 

указанных категориях улиц и дорог превышает 2000 транспортных единиц/ч, в дополнение к указанным мерам следует, как правило, предусматривать установку двухламповых светильников или двух светильников на опоре для обеспечения отключения в ночное время до 50 % источников света.

  • В фонтане следует, как правило, освещать водяные струи, поверхность воды, скульптуру и отдельные архитектурные элементы фонтана. Подсвет вертикальных или наклонных струй необходимо, как правило, осуществлять осветительными приборами с концентрированной кривой силы света, расположенными под водой непосредственно у насадки. Освещение наклонных струй, падающих вниз, следует осуществлять осветительными приборами с косинусной или полуширокой кривой силы света, расположенными в зоне падения струй. Осветительные приборы должны, как правило, располагаться скрыто.
  • Освещение фонтана может быть одноцветным или многоцветным. Система освещения фонтана может быть статической или динамической, изменяющейся во времени по интенсивности, объему или цвету. Выбор приема освещения фонтана определяется художественным содержанием, его композицией, гидродинамическими данными, а также характером окружающего ансамбля.
  • При освещении зеленых насаждений следует применять прием интенсивного подсвета отдельных деревьев, кустарников и цветников, создавая достаточный контраст между освещенными объектами и фоном.
  • В световых приборах подсвета зелени для ограничения ослепленности следует применять защитные решетки и экраны или размещать приборы так, чтобы световые пучки не были направлены в сторону наблюдателей.

Используемые для подсвета газонов, цветников и клумб низкорасположенные световые

 

приборы должны иметь защитный угол не менее 10° и суммарный световой поток источников света не более 6000 лм.

  • Рекламные установки на улицах, дорогах и площадях, совпадающие по своей форме и цвету с формой и цветом сигналов светофоров, не допускается размещать на уровне ниже 8 м от поверхности дорог.
  • Размещение световых приборов, освещающих афишу, плакат или стенд, необходимо осуществлять таким образом, чтобы зеркальная составляющая светового потока, отраженная от освещаемой поверхности, не попадала в поле зрения смотрящего на афишу (плакат). При этом для исключения попадания прямого света ламп в поле зрения смотрящего на афишу (плакат), а также пешеходов и водителей транспорта следует предусматривать необходимый защитный угол осветительных приборов или оборудовать их соответствующими экранирующими решетками.
  • В пешеходных тоннелях длиной более 80 м или имеющих ответвления следует устанавливать световые указатели направления движения. Указатели должны размещаться на стенах или колоннах на высоте не менее 1,8 м от поля.

3.  ЭЛЕКТРОТЕХНИЧЕСКАЯ ЧАСТЬ Система питания

  • В сетях наружного освещения следует применять напряжение 300/220 В переменного тока при заземленной нейтрали.

В установках подсвета зелени с использованием специальных низкорасположенных осветительных приборов допускается применение напряжения 220 В при условии соблюдения требований, предъявляемых ПУЭ к светильникам для помещений с повышенной опасностью.

В установках освещения фонтанов номинальное напряжение питания погружаемых в воду осветительных приборов не должно превышать 24 В.

П р име ч а ни е. В установках освещения улиц, дорог и площадей допускается использовать линейное напряжение 380 В для питания светильников с газоразрядными лампами при соблюдении следующих условий:

должно быть предусмотрено одновременное отключение всех фазных проводов, вводимых в светильник;

на светильник должны быть нанесены хорошо различимые отличительные знаки с указанием напряжения -

«380 В».

  • Установки наружного освещения и устройства управления ими по требованию к обеспечению надежности электроснабжения относятся к следующим категориям:
  • й - диспетчерские пункты сетей наружного освещения городов;
  • й - осветительные установки городских транспортных и пешеходных тоннелей, осветительные установки улиц, дорог и площадей категории А в столицах союзных республик, городах-героях, портовых и крупнейших городах;
  • й - остальные осветительные установки.

Для дополнительного повышения надежности электроснабжения осветительных установок городских транспортных и пешеходных тоннелей длиной более 80 м, работающих круглосуточно, следует предусматривать их питание от разных секций вводно- распределительного устройства (ВРУ), подключенных к разным линиям на напряжение 0,4 кВ и разным трансформаторам двухтрансформаторных подстанций или трансформаторам двух близлежащих однотрансформаторных подстанций, питающихся по разным линиям 6 - 10 кВ.

  • Электроснабжение установок наружного освещения следует, как правило, осуществлять через пункты питания от трансформаторов, предназначенных для питания сети общего пользования.

Электроснабжение установок наружного освещения допускается осуществлять от отдельных трансформаторных подстанций или специальных трансформаторов, если это оправдывается технико-экономическими расчетами.

  • Питание светильников освещения территории микрорайона следует осуществлять непосредственно от пунктов питания наружного освещения или от проходящих рядом сетей уличного освещения (исключая сети улиц категории А) в зависимости от принятой в

 

населенном пункте системы эксплуатации, а светильников наружного освещения территорий детских яслей-садов, общеобразовательных школ, школ-интернатов, больниц, госпиталей, санаториев, пансионатов, домов отдыха - от вводных устройств этих зданий или от трансформаторных подстанций.

  • Световые указатели, святящиеся дорожные знаки, светильники подсвета дорожных знаков и светильники для освещения открытых лестничных сходов и зон входов пешеходных тоннелей должны быть присоединены к фазам ночного режима сети уличного освещения.

Информационные световые табло и указатели направления движения пешеходов в пешеходных тоннелях должны быть включены круглосуточно.

Электроснабжение освещения подъездов к противопожарным водоисточникам (гидрантам, водоемам и др.) и световых указателей их расположения следует осуществлять от фаз ночного режима сети наружного освещения или от сетей ближайших зданий.

  • Присоединение к сетям освещения улиц, дорог и площадей номерных фонарей, реклам и витрин не допускается.

К фазам вечернего режима сети освещения улиц, дорог и площадей разрешается присоединение осветительных приборов праздничного освещения и освещения архитектурных объектов суммарной мощностью не более 2 кВт на фазу.

Питание праздничной иллюминации на отдельных участках улиц, дорог и площадей категорий А и Б допускается предусматривать от самостоятельной электрической сети, если это предусмотрено заданием на проектирование.

  • В установках наружного освещения светильники с газоразрядными источниками света должны иметь индивидуальную компенсацию реактивной мощности. Коэффициент мощности светильника должен быть не ниже 0,85.
  • Линии сети наружного освещения должны подключаться к пунктам питания с учетом равномерной нагрузки фаз трансформаторов, для чего отдельные линии следует присоединять к разным фазам или с соответствующим чередованием фаз.
  • Частичное отключение светильников следует предусматривать согласно требованиям главы СНиП по проектированию естественного и искусственного освещения (см. также п.

2.31 настоящей Инструкции). При этом на улицах и дорогах категорий А и Б допускается прокладка раздельных распределительных кабелей вечернего и ночного режимов освещения.

  • Светильники, ближайшие к границам пешеходных переходов, должны присоединяться к фазам ночного режима сети освещения улиц, дорог и площадей.
  • Электротехническая часть установок световой рекламы должна выполняться в соответствии с требованиями главы VI-4 «Рекламное освещение» ПУЭ.

Выполнение, защита и заземление осветительной сети

  • Распределительные сети освещения улиц, дорог, площадей, территорий микрорайонов в населенных пунктах должны, как правило, выполняться воздушными с использованием голых проводов.

Кабельными должны выполняться распределительные сети освещения территорий детских яслей-садов, общеобразовательных школ, школ-интернатов, участков улиц с троллейбусным движением в местах наибольшей вероятности схода штанг, а также линии, питающие осветительные приборы подсвета зелени, цветов, фасадов зданий, скульптур и монументов.

Допускается выполнять кабельными питающие и распределительные сети на улицах и площадях категорий А и Б в районах застройки зданиями высотой более 5 этажей, а также на территориях общегородских парков, садов, бульваров и скверов, примыкающих к улицам и площадям категорий А и Б, стадионов с трибунами на 20 тыс. зрителей и более, выставок, больниц, госпиталей, санаториев, пансионатов и домов отдыха.

  • Сечения нулевых жил кабелей в осветительных установках с газоразрядными источниками света следует, как правило, принимать равными сечению фазных проводов.

Для нулевых проводов воздушных линий указанное требование является обязательным.

Допускается использовать кабели с сечением нулевых жил менее фазных для питания светильников с газоразрядными лампами, если обеспечиваются требования по допустимой

 

потере напряжения и по пропускной способности нулевой жилы.

  • Кабельные распределительные линии в пределах одной линии следует выполнять, как правило, одним сечением по системе «заход-выход» или с применением тройниковых муфт без разрезания жил кабеля.

При прокладке указанных кафельных линий на инженерных сооружениях следует предусматривать меры для удобной разделки ответвления от кабеля к опоре и возможность замены кабеля участками.

  • Переходы от кабельных линий к воздушным должны иметь отключающие устройства, смонтированные в ящиках, установленных на опорах на высоте не менее 2,5 м от поверхности земли.

Это требование не распространяется на кабельные выводы из пунктов питания на опоры, а также на переходы дорог и обходы препятствий, выполняемые кабелем.

  • Нулевой провод сети общего пользования при использовании его для питания наружного освещения следует располагать ниже всех фазных проводов сети общего пользования и фазных прополов сети наружного освещения либо на уровне с ними.

При использовании существующих опор, принадлежащих электросетевым организациям, не занимающимся эксплуатацией наружного освещения, допускается располагать фазные провода сети наружного освещения ниже нулевого провода сети общего пользования.

  • Электрическая схема пункта питания должна, как правило, предусматривать заземление отключенной распределительной сети.

Расчет проводов

  • Расчет сечения сети наружного освещения, следует производить по предельно допустимой величине потери напряжения с проверкой на допустимую плотность тока и на отключение при замыкании фазного провода на нулевой в наиболее удаленной точке сети; кабели с пластмассовой изоляцией должны, кроме того, проверяться на термическую устойчивость.

Расчетное отклонение напряжения у наиболее удаленных светильников не должно превышать 5 % номинального напряжения сети, а у наиболее удаленных прожекторов - 2,5

%.

  • Расчет по потере напряжения сетей наружного освещения, питающих лампы накаливания или газоразрядные лампы с индивидуальной компенсацией коэффициента мощности, следует выполнять без учета реактивного сопротивления линий.

При определении нагрузок в сетях с газоразрядными источниками света высокого давления следует учитывать потери мощности в пускорегулирующих аппаратах,  которые при отсутствии точных данных рекомендуется принимать равными 10 % мощности ламп.

  • Провода управления каскада сети наружного освещения рассчитываются по потере напряжения от пускового тока втягивающих катушек коммутационных аппаратов (контакторов, магнитных пускателей). Допустимая расчетная потеря напряжения у катушек не должна превышать 15 % их номинального напряжения.

Управление наружным освещением

  • Включение наружного освещения улиц, дорог и площадей, территорий микрорайонов и других освещаемых территорий должно производиться при снижении уровня естественной освещенности до 20 лк, а отключение - при ее повышении до 10 лк. Время отключения на ночь части светильников согласно главе СНиП по проектированию естественного и искусственного освещения устанавливается решениями исполкомов городских (районных) Советов народных депутатов.

Переключение освещения пешеходных тоннелей с дневного режима на вечерний и ночной или с ночного режима на дневной должно производиться одновременно с включением или отключением освещения улиц, дорог и площадей.

Включение освещения транспортных тоннелей для дневного режима должно производиться при повышении естественной освещенности до 100 лк, перевод освещения на вечерний и ночной режим должен производиться при снижении уровня естественной освещенности до 100 лк.

 

  • Управление сетями наружного освещения должно быть централизованным -

телемеханическим или дистанционным.

  • Систему управления наружным освещением следует выбирать в зависимости от количества жителей в населенном пункте. При этом должно предусматриваться:

централизованное телемеханическое управление при количестве жителей более 50 тыс.; централизованное телемеханическое или дистанционное управление при количестве

жителей от 20 до 50 тыс.;

централизованное дистанционное управлении при количестве жителей до 20 тыс.

  • Управление наружным освещением юродов должно осуществляться от одного центрального или центрального и нескольких районных диспетчерских пунктов. Районные диспетчерские пункты должны предусматриваться в крупнейших городах, территории которых разобщены естественными преградами рельефа местности, а также водными или лесными.

Между центральным и районными диспетчерскими пунктами должна обеспечиваться прямая телефонная связь.

В качестве дублирующей оперативной связи, а также для связи с оперативными автомашинами следует предусматривать УКВ радиосвязь.

  • Управление освещением территорий: детских яслей-садов, общеобразовательных школ, школ-интернатов, гостиниц, больниц, госпиталей, санаториев, пансионатов, домов отдыха, парков, садов, стадионов и выставок следует, как правило, осуществлять от системы управления наружным освещением населенного пункта, в котором они расположены.

При этом для установок наружного освещения перечисленных объектов, а также для осветительных установок пешеходных тоннелей должна быть обеспечена возможность местного управления.

  • В системах централизованного телемеханического управления должен обеспечиваться двухсторонний обмен информацией между диспетчерским и исполнительными пунктами, достаточный для нормального функционирования установок наружного освещения.

При этом должны передаваться:

на исполнительный пункт приказы управления:

включить все освещение;

включить (отключить) часть освещения; отключить все освещение;

на диспетчерский пункт - сигналы состояния:

включено все освещение;

включена (отключена) часть освещения; отключено все освещение;

несоответствие состояния освещения посланному приказу и неисправность в сети наружного освещения.

Должен быть также предусмотрен контроль исправного состояния канала связи с выводом сигнала на диспетчерский пункт.

  • В системах централизованного дистанционного управления должно обеспечиваться управление коммутационными аппаратами фаз ночного и вечернего режимов головных пунктов питания каскадированных сетей наружного освещения и контроль их состояния по наличию напряжения на конце каскада с выведением на пульт управления световой и звуковой сигнализации.
  • Централизованное управление сетями наружного освещения должно осуществляться из пунктов управления путем использования коммутационных аппаратов, имеющихся в каждом пункте питания.

Управление коммутационными аппаратами, как правило, должно производиться путем каскадного (последовательного) их включения.

В воздушно-кабельных сетях в один каскад допускается включение до 10 пунктов питания, а в кабельных - до 15 пунктов питания сети наружного освещения.

  • Управление коммутационными аппаратами головных пунктов питания

 

каскадированных сетей должно, как правило, осуществляться из пункта управления непосредственно или через промежуточное реле; при централизованном телемеханическом - через выходные элементы телеуправления исполнительного (контролируемого) пункта устройства телемеханического управления.

  • Контроль состояния основных направлений (каскадов) должен быть обеспечен при любых способах централизованного управления наружным освещением.

П р име ч а ни е. В каскадных схемах управления допускается устройство неконтролируемых участков: в воздушных сетях - не более одного пункта питания и в кабельных - не более двух пунктов питания (в том числе включаемых последовательно).

  • Сеть каскадного управления сетями наружного освещения должна строиться таким образом, чтобы улицы, дороги и площади категорий А и Б входили в головной участок каскада или в ближайший к головному участку.
  • Устройства телемеханики для установок наружного освещения должны отвечать следующим требованиям:

а) время передачи одной команды телеуправления на все исполнительные пункты не должно превышать 1 мин;

б) аппаратура должна иметь исполнение 1Р53;

в)    должно    обеспечиваться    нормальное    функционирование   аппаратуры    с    учетом климатических условий данной местности.

  • В качестве каналов связи в системах централизованного телемеханического управления наружным освещением следует, как правило, применять прямые провода, абонируемые у городской телефонной сети (ГТС). Допускается применение каналов высокочастотного или тонального уплотнения городских электросетей высокого и низкого напряжений, а также специально прокладываемых проводных линий связи.
  • Устройства телемеханики для установок наружного освещения при использовании в качестве каналов связи прямых проводов, абонируемых у ГТС, должны отвечать требованиям норм технологического проектирования Минсвязи СССР.
  • В пешеходных тоннелях при любой схеме электроснабжения должен быть предусмотрен раздельный учет расхода электроэнергии, потребляемой осветительной установкой тоннеля и сторонними потребителями (освещение киосков, витрин и т.д.).

ПРИЛОЖЕНИЕ

ТЕРМИНЫ, ПРИМЕНЯЕМЫЕ В НАСТОЯЩЕЙ ИНСТРУКЦИИ

Световой комплекс - группа светильников (2 и более) одинакового назначения, установленных на одной опорной конструкции.

Шаг светильников - расстояние между светильниками или их комплексами в одном ряду по линии их расположения вдоль улицы.

Гладкие асфальтобетонные покрытия - покрытия с пониженным содержанием щебня (или без щебня), имеющие среднюю высоту выступающих частей < 0,5 мм и коэффициент сцепления < 0,5.

Шероховатые асфальтобетонные покрытия - покрытия с повышенным содержанием щебня, имеющие среднюю высоту выступающих частей ³ 0,5 мм и коэффициент сцепления

³ 0,5.

Шероховатые осветленные асфальтобетонные покрытия - шероховатые покрытия, в которых не менее 30 % смеси (по весу) составляет щебень из осветленного каменного материала - искусственного (дорсил, синопал, люксовит и др.) или естественного (природный кварц, светлый высокопрочный известняк и др.).

Питающая линия наружного освещения - линия, соединяющая пункты питания наружного освещения с трансформаторными пунктами.

Распределительные линии наружного освещения - линии, соединяющие светильники наружного освещения с пунктами питания наружного освещения.

Пункт питания наружного освещения - электрическое распределительное устройство для соединения распределительной сети наружного освещения с трансформаторными

 

подстанциями или ответвлениями от сборок.

Головной пункт питания - пункт питания, от которого начинается каскад и на который подается управляющий сигнал.

Централизованное телемеханическое управление - система управления наружным освещением с применением устройств телемеханики, позволяющая производить из одного места одновременное включение или отключение сети наружного освещения, переключение сети на ночной режим, а также контролировать состояние сети.

Централизованное дистанционное управление - система управления наружным освещением с использованием специально прокладываемых проводов управления и электромагнитных устройств, позволяющая производить из одного места включение или отключение сети наружного освещения, переключение на ночной режим, а также контролировать состояние сети.

Фаза ночного режима - фаза электрической сети питания светильников, отключаемая в ночные часы спада интенсивности движения транспорта.

Фаза вечернего режима - фаза электрической сети питания светильников, отличаемая в ночные часы спада интенсивности движения транспорта.

Каскадная схема управления - схема, при которой управление участками распределительных линий, входящих в нее, осуществляется путем подключения катушки коммутационного аппарата второго участка в линию первого, катушки коммутационного аппарата третьего участка в линию второго и т.д.

Каскад - группа распределительных линий наружного освещения, охваченных каскадной схемой управления.

Контролируемое (основное) направление каскадной схемы - цепь последовательно включенных участков распределительных линий, в которой начало первого и конец последнего участков каскада заведены непосредственно (или через промежуточное реле) на пульт управления при дистанционном управлении или через телеячейку пункта питания на пульт телемеханического управления сетями наружного освещения.

СОДЕРЖАНИЕ

  1. Общие положения
  2. Светотехническая часть

Нормы проектирования наружного освещения

Выбор, расположение и способ установки световых приборов

  1. Электротехническая часть Система питания

Выполнение, защита и заземление осветительной сети Расчет проводов

Управление наружным освещением

Приложение Термины, применяемые в настоящей инструкции

  Категории дорог и улиц определяют  в зависимости от их назначения, транспортных характеристик, расчетной скорости движения автотранспорта и количества полос движения.  Для определения категории конкретной улицы необходимо пользоваться Таблицей 14 Свода правил СП 52.13330.2011.

Выбор нормируемой освещенности.

Требуемые освещенность и яркость дорожного покрытия в зависимости от категории дороги выбирают в соответствие с требованиями СП 52.13330.2011.

Методы расчета нормируемых параметров уличного освещения описаны в ГОСТ Р 55708-2013.

Для  улиц и дорог со стандартной геометрией (дорога имеет прямоугольное полотно без поворотов, развилок и т.д.) нормируют среднюю яркость дорожного покрытия. При нестандартной геометрии дороги (дорога имеет съезды, криволинейные участки, повороты, развилки) нормируют освещенность. Так же по освещенности нормируют улицы и дороги, имеющие покрытие из брусчатки или плит, и дороги в городах северной строительно-климатической зоны (п.п. 7.33…7.35 и примечание 3 в Таблице 15 СП 52.13330.2011).

Измерение освещенности дорожного покрытия должно выполняться в соответствие с требованиями ГОСТ Р 54944-2012.  Яркости - ГОСТ 26824-2010. Действие данных стандартов распространяется и на внутреннее освещение зданий, и на наружное освещение. Некоторые положения этих двух нормативных документов, касающиеся измерений освещенности и яркости дорожного покрытия проезжей части  улиц выделены в отдельный стандарт ГОСТ Р 55707-2013. В случае если требования различных стандартов к одному и тому же параметру различны, то следует выполнять наиболее высокие требования, удовлетворяющие требованиям всех нормативных документов;

Выбор схемы размещения опор и светильников

Осветительные приборы устанавливают на специально предназначенных для этого опорах освещения, на опорах контактной сети электрифицированного городского транспорта, на опорах линий электропередачи напряжением 0,4 кВ, а так же подвешивают на тросы (растяжки).

Использование опор освещения позволяет оптимально осветить зоны, требующие повышенной освещенности (пешеходные переходы, посадочные места в трамвай), устанавливая опоры максимально близко к этим зонам. Это приближение опор к указанным зонам, как правило, не позволяет установить опоры со светильниками с постоянным шагом (расстоянием между опорами) вдоль улицы и при этом выполнить все требования нормативных документов.

Требования к используемым опорам и их заземлению, пересечениям и сближениям воздушных линий электропередачи содержатся в Главе 2.4 ПУЭ, издание 7.

При использовании для уличного освещения опор контактной сети общественного транспорта для обеспечения требуемой освещенности пешеходных переходов следует использовать на ближайших к ним опорах светильники с более мощными лампами, если пешеходный переход оказался на значительном удалении от опор. Так же следует поступать с остановками трамваев.

Для выбора оптимальной схемы размещения светильников можно воспользоваться Рисунком 1 в Инструкции по проектированию наружного освещения СН 541-82. На этом рисунке представлены различные схемы построения установок наружного освещения, в которых осветительные приборы могут быть размещены по одной стороне улицы, по обеим сторонам улицы, а так же над проезжей частью. На Рис. 2…4 этой инструкции показаны рекомендуемые схемы расстановки осветительных приборов на пешеходных переходах, железнодорожных переездах, пересечениях и закруглениях улиц. В этих местах должен быть обеспечен повышенный уровень освещенности.

Различные способы выполнения установок наружного освещения показаны на странице сайта «Наружное освещение в фотографиях»;

Требования к опорам

На ВЛ могут применяться опоры из различного материала. Для ВЛ следует применять следующие типы опор:
1) промежуточные, устанавливаемые на прямых участках трассы ВЛ. Эти опоры в нормальных режимах работы не должны воспринимать усилий, направленных вдоль ВЛ;
2) анкерные, устанавливаемые для ограничения анкерного пролета, а также в местах изменения числа, марок и сечений проводов ВЛ. Эти опоры должны воспринимать в нормальных режимах работы усилия от разности тяжения проводов, направленные вдоль ВЛ;
3) угловые, устанавливаемые в местах изменения направления трассы ВЛ. Эти опоры при нормальных режимах работы должны воспринимать результирующую нагрузку от тяжения проводов смежных пролетов. Угловые опоры могут быть промежуточными и анкерного типа;
4) концевые, устанавливаемые в начале и конце ВЛ, а также в местах, ограничивающих кабельные вставки. Они являются опорами анкерного типа и должны воспринимать в нормальных режимах работы ВЛ одностороннее тяжение всех проводов.
Опоры, на которых выполняются ответвления от ВЛ, называются ответвительными; опоры, на которых выполняется пересечение ВЛ разных направлений или пересечение ВЛ с инженерными сооружениями, - перекрестными. Эти опоры могут быть всех указанных типов.
Конструкции опор должны обеспечивать возможность установки:
светильников уличного освещения всех типов;
концевых кабельных муфт;
защитных аппаратов;
секционирующих и коммутационных аппаратов;
шкафов и щитков для подключения электроприемников.
Опоры независимо от их типа могут быть свободностоящими, с подкосами или оттяжками.
Оттяжки опор могут прикрепляться к анкерам, установленным в земле, или к каменным, кирпичным, железобетонным и металлическим элементам зданий и сооружений. Сечение оттяжек определяется расчетом. Они могут быть многопроволочными или из круглой стали. Сечение однопроволочных стальных оттяжек должно быть не менее 25 мм2.
Опоры ВЛ должны рассчитываться по первому и второму предельному состоянию в нормальном режиме работы ВЛ на климатические условия по
Промежуточные опоры должны быть рассчитаны на следующие сочетания нагрузок:
одновременное воздействие поперечной ветровой нагрузки на провода, свободные или покрытые гололедом, и на конструкцию опоры, а также нагрузки от тяжения проводов ответвлений к вводам, свободных от гололеда или частично покрытых гололедом (по 2.4.12);
на нагрузку от тяжения проводов ответвлений к вводам, покрытых гололедом, при этом допускается учет отклонения опоры под действием нагрузки;
на условную расчетную нагрузку, равную 1,5 кН, приложенную к вершине опоры и направленную вдоль оси ВЛ.
Угловые опоры (промежуточные и анкерные) должны быть рассчитаны на результирующую нагрузку от тяжения проводов и ветровую нагрузку на провода и конструкцию опоры.
Анкерные опоры должны быть рассчитаны на разность тяжения проводов смежных пролетов и поперечную нагрузку от давления ветра при гололеде и без гололеда на провода и конструкцию опоры. За наименьшее значение разности тяжения следует принимать 50 % наибольшего значения одностороннего тяжения всех проводов.
Концевые опоры должны быть рассчитаны на одностороннее тяжение всех проводов.
Ответвительные опоры рассчитываются на результирующую нагрузку от тяжения всех проводов.
При установке опор на затапливаемых участках трассы, где возможны размывы грунта или воздействие ледохода, опоры должны быть укреплены (подсыпка земли, замощение, устройство банкеток, установка ледорезов).

Расчет освещенности и яркости

При расчетах коэффициент запаса принимается в пределах 1,5…1, 7. Это нужно так как в процессе эксплуатации теряется прозрачность стекла светового прибора, происходит запыление, снижается яркость лампы, выгорание светодиодов и прочие факторы снижающие световой поток.

Для расчета освещенности и подбора оборудования удобно использовать онлайн сервисы  по расчету освещенности, например   сервис от компании ГАЛАД 

Если для установки осветительных приборов используются уже существующие опоры контактной сети городского транспорта или опоры воздушной линии электропередачи 0,4 кВ, то необходимо выбрать светильники, обеспечивающие требуемую освещенность (яркость) дорожного покрытия. Для выполнения требований по неравномерности освещенности дорожного покрытия может потребоваться подбор светильников по их КСС (кривые силы света). При установке светильников на опоры допускается использовать двух и трехрожковые кронштейны. В зонах, требующих повышенного уровня освещенности, используют более мощные, либо дополнительные светильники.

При установке опор специально для наружного освещения или в случае подвешивания светильников на тросах необходимо выбрать максимальный шаг расстановки осветительных приборов, тип и мощность светильников, при которых выполняются требования по величине и неравномерности освещенности.

Далее необходимо установить светильники вблизи мест, требующих повышенный уровень освещенности. Затем расставить осветительные приборы вдоль остальных участков улицы, не допуская превышения максимально допустимого шага расстановки осветительных приборов.

Повышенные уровни освещенности (яркости) необходимо обеспечить: на улицах местного значения, примыкающих к магистралям и скоростным дорогам – не менее одной трети освещенности (яркости) на расстоянии не менее 100 метров от основной магистрали. Так же на пешеходных переходах, съездах с дороги, на пересечениях улиц  и железнодорожных переездах, на закруглениях улиц и дорог,  а также на посадочных местах в трамвай. На пешеходных переходах улиц категорий А и  Б освещенность должна превышать среднюю нормируемую освещенность улицы как минимум в 1,5 раза (при этом средняя освещенность пешеходных переходов не должна быть меньше 20 лк при величине минимальной освещенности 6 лк (п. 4.2 ГОСТ Р 55844-2013). Рекомендуется выделять пешеходные переходы, используя освещение другого цвета.

Пример расчета освещенности участка дороги через онлайн сервис Галад

Осветительные приборы предпочтительно равномерно подключают к трем фазам осветительной сети. При подключении необходимо следить за тем, что в случае отключения одной из фаз в ночное время к этой фазе не оказались подключенными светильники, которые установлены в местах, требующих повышенного уровня освещенности.

Защитный и рабочий нулевые проводники должны подключаться к PEN проводнику отдельными зажимами.

Подключение осветительных приборов

Осветительные приборы предпочтительно равномерно подключают к трем фазам осветительной сети. При подключении необходимо следить за тем, что в случае отключения одной из фаз в ночное время к этой фазе не оказались подключенными светильники, которые установлены в местах, требующих повышенного уровня освещенности.

Защитный и рабочий нулевые проводники должны подключаться к PEN проводнику отдельными зажимами.

Освещение дворовых территорий

     Правильно освещенные дворы создают комфортную среду для проживания жителей многоквартирных домов. Для освещения дворовых территорий вдоль пешеходных дорожек и во дворах устанавливают опоры освещения. При невозможности установить опоры могут быть использованы растяжки, на которых крепят светильники, либо их устанавливают на установленные на стенах домов кронштейны.

Если при проектировании наружного освещения дворов предполагается установить опоры, всегда следует проверять, сможет ли автоподъемник беспрепятственно подъехать к ним. Если свободного доступа автоподъемника обеспечить не удается, то устанавливают опоры высотой до 4 метров, которые можно установить и обслуживать без спецтехники. Такие опоры, как правило, устанавливают для освещения детских площадок. Для освещения спортивных площадок на территории дворов часто устанавливают складывающиеся опоры высотой 6 метров, которые позволяют обслуживать светильники прямо с земли. Между опорами на детских и спортивных площадках всегда прокладывают кабель в траншее.

Выбор светильников

 Для наружного освещения используют специально предназначенные  для этого светильники. Они должны удовлетворять требованиям ГОСТ Р МЭК 60598-1-2011.

В настоящее время в России наружное освещение  представлено в основном  натриевыми разрядными лампами высокого давления (ДНаТ). Ртутные лампы (ДРЛ) хоть и имеют более высокий индекс цветопередачи по сравнению с натриевыми лампами, но уступают им по энергоэффективности.

Конкурентом  ДНаТ являются светодиодные лампы, которые по теоретическому сроку службы  превосходят натриевые лампы более чем в 3 раза. Энергопотребление светодиодных и натриевых ламп примерно одинаковое. ДНаТ лампы по сравнению с светодиодными лампами легче поддаются димированию (световой поток уменьшается при уменьшении напряжения), тогда как светодиодные лампы диммируются определенной электронной начинкой светильника и стоят такие световые приборы от 40 тысяч рублей.

Главное неоспоримое преимущество светодиодов- это устойчивость к перепадам напряжения и маленькие габаритные размеры.

Совет: Пользуйтесь проверенными временем световыми приборами.

Способы подключения осветительных сетей

  Осветительные сети выполняют либо воздушными с использованием проводов СИП, либо кабельными линиями, проложенными в траншеях. В черте городской застройки провода СИП используют с изолированным нулевым проводом по ГОСТ Р 52373-2005. Следует учесть, что нельзя подвешивать провода осветительной сети над детскими и спортивными площадками.

Во многих городах в настоящее время преимущество отдается кабельным линиям, проложенным в земле. Используют бронированные кабели, которые укладывают в траншеи на глубине 0,7 метра. Желательно кабели для обеспечения возможности их замены в процессе эксплуатации прокладывать в ПНД трубах. При пересечении кабельной линией асфальтированных пешеходных дорожек, проезжей части улиц и дорог, а так же подземных коммуникаций, кабели в месте пересечения прокладывают в жестких, например, асбестоцементных трубах. С каждой стороны от края пересекаемой подземной коммуникации необходимо оставлять как минимум 1 метр трубы. Иначе при разрытии траншеи для ремонта пересекаемой коммуникации труба, защищающая кабель осветительной сети, повиснет на нем и не обеспечит сохранность кабеля. При пересечении проезжей части дорог необходимо проложить резервную жесткую трубу. Наиболее проблематичны сближения и пересечения с теплоцентралями, ширина которых составляет величину в несколько метров. Следует использовать любую возможность, что бы избежать такого пересечения, вплоть до изменения трассы кабельной линии освещения, либо использования на этом участке воздушной линии.

Проект осветительной сети наружного освещения выполняют на топографических планах, на которых отображены наземные сооружения и подземные коммуникации.

В данных справочниках содержатся все необходимые пояснения относительно подземных коммуникаций: как определить тип подземных инженерных сетей и глубину их прокладки. Некоторые подземные коммуникации выполняют в масштабе плана, некоторые отображают тонкой линией с указанием диаметра коммуникации. Знание условных знаков позволяет проложить кабельные линии в соответствие с нормами.

При расстановке опор на топографических планах и прокладке кабельных линий в земле необходимо выполнять нормы по допустимым расстояниям между кабелями, опорами, существующими подземными коммуникациями, фундаментами зданий, дорогами, кустами и деревьями.

Кроме того нельзя допускать выполнение работ в охранных зонах высоковольтных кабельных линий без согласования с их владельцами.

Питание осветительных сетей

     Для питания осветительных сетей наружного освещения предусматривают щиты наружного освещения (ЩНО) или шкафы управления наружным освещение (ШУНО), которые подключают к трансформаторным подстанциям или ВРУ зданий. В некоторых случаях, чаще в сельской местности, ШУНО подключают к магистралям воздушных линий 0,4 кВ. Если ШУНО размещают на земле, то на опоре ВЛ устанавливают щиток с аппаратом защиты, предотвращающим отключение линии в случае короткого замыкания в кабеле питания ШУНО. Необходимость установки на опору щитка с аппаратом защиты обусловлена  требованием  ГОСТ Р 50571.4.43-2012 (п.п. 433.2; 434.2 и приложение С), согласно которому длина ответвления до аппарата защиты должна быть менее 3 метров.

В больших городах при больших мощностях установок наружного освещения к трансформаторным подстанциям пристраивают дополнительные помещения, в которых устанавливают щиты с аппаратами защиты и управления.

Линии наружного освещения дворов и переулков подключают к линиям освещения улиц (кроме улиц категории А).

Требования к питанию сетей наружного  освещения изложены в п.п. 6.3.15…6.3.24 ПУЭ, 7 издания.

Управление наружным освещением

     В городах,как правило, наружным освещением управляют централизовано из диспетчерского пункта. Рекомендации по организации управления наружным освещением содержатся в п.п. 6.5.1…6.5.9; 6.5.19…6.5.29 ПУЭ, издание 7, п.п. 7.43, 7.44 СП 52.13330.2011 и п.п. 3.21…3.35 СН 541-82.

Включение и выключение наружного освещения осуществляется по заранее установленному расписанию. Ориентировочно включение производят при уменьшении естественной освещенности до 20 лк и отключение при увеличении освещенности до 10 лк.

В настоящее время внедряются методы управления освещением с использованием радиосигналов. Особенно это актуально для сельских поселений, состоящих из нескольких удаленных друг от друга небольших сел.

При проектировании наружного освещения обособленных объектов могут также предусматриваться программируемые контроллеры, в программу которых закладывают расписание включения и выключения освещения на год. Такой контроллер может быть установлен непосредственно в ШУНО.

Иногда такие контроллеры используют для отключения части светильников, установленных на опоре. Например, установленный на опоре прожектор (или группа прожекторов), подключенный к сети наружного освещения, освещает находящийся рядом памятник. Но в час ночи прожектора планируют отключать, так как в это время людей на улице мало. Контроллер может выполнить эти функции.

Защита осветительных сетей от токов коротких замыканий

     Осветительные сети должны быть защищены от токов перегрузок и коротких замыканий в соответствие с требованиями ПУЭ, издание 7 (п.п. 6.3.25…6.3.40 ), и ГОСТ Р 50571.4.43-2012.

Для защиты могут быть применены автоматические выключатели с комбинированным расцепителем или предохранители с плавкой вставкой. Чаще можно увидеть предохранители, так как они лучше выдерживают кратковременные пусковые токи, возникающие при включении светильников. В каждом конкретном случае в проекте сети наружного освещения предусматривают наиболее подходящие способы защиты кабелей и проводов.

Защита осветительных сетей от атмосферных перенапряжений

     В черте городской застройки, где высота домов значительно превышает высоту установки светильников, повреждения осветительных сетей прямыми ударами молний случаются крайне редко. И соответственно защиту от атмосферных перенапряжений не предусматривают.

На открытых участках и в сельской местности (так же в условиях любой малоэтажной застройки) воздушные сети наружного освещения в некоторых случаях защищают от ударов молний. Для защиты используют специальные защитные аппараты – устройства защиты от импульсных перенапряжений (УЗИП). В некоторых нормативных документах их называют УЗП - устройства защиты от перенапряжений. Широко распространены варисторные устройства, которые при превышении напряжения на нем выше заданного порогового уровня шунтируют защищаемую цепь малым сопротивлением. В первую очередь защите от атмосферных перенапряжений подлежат осветительные сети, расположенные в местах, где существует опасность возникновения пожара. Например, предназначенные для освещения мест хранения легковоспламеняющихся материалов.

Основные требования к защите воздушных линий передач (включая воздушные осветительные сети), содержатся в ГОСТ Р 50571-4-44-2011 (Раздел 443 и Приложение В) и ПУЭ, издание 7, раздел «Заземление. Защита от перенапряжений» (п.п. 2.4.38…2.4.49). Рекомендации по применению УЗИП содержатся в Техническом циркуляре Ассоциации «Росэлектромонтаж» № 30/2012. Некоторые полезные рекомендации можно найти в инструкции Правила устройства ВЛИ до 1 кВ, но ее действие отменено в 2003 году.

К сожалению, раздел ПУЭ, посвященный защите воздушных линий напряжением 0.4 кВ от перенапряжений, написан крайне неопределенными расплывчатыми фразами. Например, в п. 2.4.44 есть указание, что защитные аппараты, устанавливаемые на опорах для защиты от грозовых перенапряжений, должны присоединяться к заземлителю отдельным спуском. Здесь, судя по всему, подразумеваются УЗИП. В п. 2.4.46 содержатся требования к заземляющим устройствам, предназначенным для защиты от атмосферных перенапряжений. Но в этом пункте отсутствует прямое указание, что защита обеспечивается подключением УЗИП между проводами и заземлителем. А без подключенного УЗИП между изолированным от опоры фазным проводом и заземлителем, перенапряжение, возникшее на этом проводе, не будет уменьшено до безопасной величины. И, следовательно, возможен пробой изоляции проводов СИП. Вследствие этой неопределенности возникает много разночтений и споров о необходимости применения защиты от перенапряжений в проектах установок наружного освещения.

   Освещение улиц, дорог и площадей с регулярным транспортным движением следует проектировать  исходя  из средней яркости дорожных покрытий.

Средняя яркость дорожного покрытия и общая равномерность я – на зрительный комфорт водителей и пешеходов, что в свою очередь очень сильно влияет на безопасность и здоровье людей.

Внимательный подход к проектированию поможет сделать ваш город лучше.

Если у  вас появились вопросы или вы нашли  на нашем сайте неточности обязательно напишите нам об этом на почту info@svs-tm.ru

 

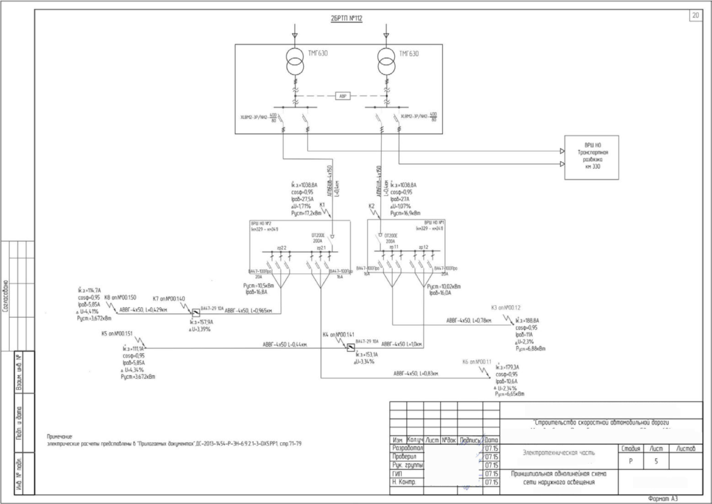
Электрические расчеты кабельной линии наружного освещения

Выбор проводников.

Выбор сечения питающего кабеля РУ-0.4 кВт от распределительного устройства до шкафа освещения.

  1. По длительно допустимым токовым нагрузкам сила тока допустимая должна быть больше или равна силе тока   рабочей. Принимаем кабель марки АПвБШв 4х150 для которого допустимый ток равен 278А.

Iраб = Pуст / √3*cos(φ) *0.38

Для ВРШ-1  Pуст =16.9  кВт  Iраб = 27 А

 

2. Потери напряжения.

Для выбора сечения кабеля 0.4 кВт  должно выполняться условие - допустимые потери напряжения должны быть меньше или равны расчетным.

ΔUрасч= Δu*Pуст*L

где  Δu - удельные потери напряжения в трехфазной кабельной линии,

Pуст  -  установленная мощность  (кВт)

L - длина питающего кабеля (км)

Δuдоп= 5 % - допустимые потери напряжения.

для ВРШ-1  Pуст =16.9  кВт  L=0.4 км  →  ΔUрасч= 1.07%

3. Проверка осуществления условия срабатывания существующего выключателя нагрузки XLBM2-3P  с предохранителем NH2-400

Расчет тока однофазного короткого замыкания в сети.

Iкз= Uф/(Zт/3 + Zуд*L )

где, Uф - полное фазное напряжение сети 230 в, Zт - полное сопротивления трансформатора тока однофазного короткого замыкания 0,129 ом, Zуд= о.257 (ом/км)

для ВРШ-1   L=0.4 км   → Iкз= 1038,8 А

Выбор и проверка плавкой вставки NH2 с характеристикой 9G

условие:  сила тока плавкой вставки должна ≥ силе тока рабочей

Iпл вс= 80 А для предохранителя NH2-400

Для ВРШ -1 Iраб= 27 А - условие выполняется

Вывод в РУ-0.4 кВт для существующего выключателя нагрузки XLBM2- 3P с ножевым предохранителем NH2-400, выбрана плавкая вставка Iпл вс = 80 А (XLBM2-3P NH2-400/80) и питающие кабеля АПвБШв-4х150

 

 

 

 

 

 

 

 

авббшв 4х150

Силовой кабель авббшв 4х150

sil-avbbshv-ng-ls-big-800x800

Выключателя нагрузки XLBM2- 3P

Согласование установок наружного освещения

Согласование спроектированных установок наружного освещения, как правило, занимает значительно больше времени, чем само проектирование. Сеть освещения необходимо согласовать с организацией, отвечающей за освещение города, с балансодержателями освещаемых территорий, владельцами сетей, к которым подключается спроектированная сеть освещения. Так же с владельцами подземных коммуникаций, рядом с которыми предполагается установить опоры освещения и проложить кабельные линии. В первую очередь новые кабельные линии согласовывают с представителями организаций, эксплуатирующих городские кабельные сети.
Важно: Для ускорения согласования рабочей документации в тех случаях если проектируется участок большой протяженности  целесообразно делить проект на несколько участков. Это существенно сокращает время согласования.
В процессе согласования представители организаций, в чьем ведении находятся подземные коммуникации, могут потребовать предоставить им разрезы наиболее сложных участков параллельной прокладки и пересечений проектируемых кабельных линий с существующими коммуникациями.

Иногда возникает необходимость внесения корректировок в проекты наружного освещения вследствие появления новых подземных коммуникаций, которых не было на момент получения топографических планов.

Если для выполнения сети освещения не предусмотрены земляные работы, то есть светильники устанавливаются на уже существующие опоры или крепятся на тросовые растяжки, а сеть выполняется проводами и не содержит прокладываемых в земле кабелей, то согласование проекта наружного освещения соответственно упрощается.

План линий наружного освещения

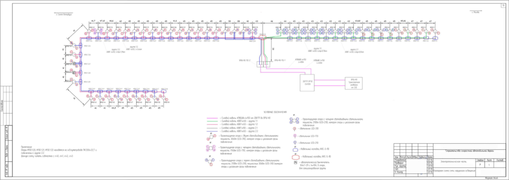
Поопорная схема сети наружного освещения

Принципиальная схема сети наружного освещения